
一、金属管浮子流量计概述
ZHLZ系列金属管浮子流量计又称金属浮子流量计、金属管转子流量计和金属转子流量计。采用可变面积式测量原理,适用于测量液体、气体的体积流量。金属管浮子流量计全金属结构,有指针型、电远传型、耐腐型、高压型、夹套型、防爆型。具有0~10mA,4~20mA的标准模拟量信号输出和现场指示,累积,数字通讯,现场修改测量参数,不同的供电方式功能,带有磁过滤器和特殊规格品种。广泛应用于石油、化工、发电、制药、食品、水处理等复杂、恶劣环境条件及各种介质条件的流量测量过程中。
金属管浮子流量计适用于小口径和低流速介质流量测量;工作可靠,维护量小,寿命长;金属管浮子流量计对于直管段要求不高;较宽的流量比10:1;双行大液晶显示,可选现场瞬时/累计流量显示,可带背光单轴灵敏指示;非接触磁耦合传动;金属管浮子流量计全金属结构,适于高温、高压和强腐蚀性介质;可用于易燃、易爆危险场合;可选二线制、电池、交流供电方式;多参数标定功能;金属管浮子流量计带有数据恢复,数据备份及掉电保护功能.
二、金属管浮子流量计工作原理:
金属管浮子流量计的浮子在测量管中随着流量的变化,将浮子向上移动在某一位置浮子所受的浮力与浮子重力达到平衡。此时浮子与孔板(或锥管)间的流通环隙面积保持一定环隙面积与浮子的上升高度成正比,即浮子在测量管中上升的位置代表流量的大小,变化浮子的位置由内部磁铁传输到外部的指示器,使指示器正确地指示此时的流量值。这就使得指示器壳体不和测量管直接接触,因此,即使安装限位开关或变送器,仪表可用于高温,高压工作条件下。但是金属管浮子流量计不适用于流体瞬间较大以及脉冲较大的紊流场合下的流体测量(原因是瞬间放大不稳定的流体容易将浮子冲到顶部以及引起转角结构的问题)。
三、金属管浮子流量计特点:
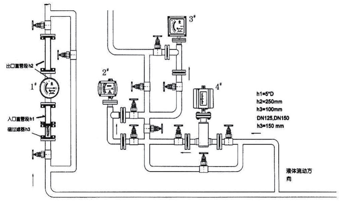
1、坚固的全金属结构设计型浮子流量计;
2、采用独立的mnodular概念设计的测量管指示器;
3、可选择不锈钢、以及不锈钢衬PTFE材料测量系统;
4、低压力损失设计;
5、短行程、小型结构设计、仪表标准总高度250mm;
6、磁性耦合结构确保数据传输、信号更加稳定;
7、保温或伴热夹套;
8、垂直、水平、各种安装方式更适合不同使用场合;
四、金属管浮子流量计技术参数:
测量范围:水(20℃)1~200000L/h
空气(20℃,0.1013MPa)0.03~4000m³/h
参见流量表,特殊流量可订制
量程比:标准型10:1 特殊型20:1
精度: 标准型1.5级 特殊型1.0级
压力等级:标准型:DN15~DN50 4.0MPa DN80~DN200 1.6MPa
夹套的压力等级为1.6MPa
特殊型在选型和订货前应与工厂协商
安装方式:垂直安装;水平安装(无卡盘连接、无衬四氟型)
压力损失:7kPa~70kPa
介质温度:标准型:-20℃~+200℃:PTFE:0℃~85℃
高温型:最高可达300℃
介质粘度:DN15: <5mPa.s(F15.1~F15.3)
<30mPa.s(F15.4~F15.8)
DN25: <250mPa.s
DN50-DN150: <300mPa.s
环境温度:液晶型-20℃~+85℃
指针型-20℃~+100℃
连接形式:标准型:HG20592标准法兰;卫生型卡盘;螺纹或者按照要求订制
特殊型:由用户指定的任意标准法兰或螺纹
电缆接口:M20×1.5
供电电源:标准型:24VDC二线制4~20mA(10.8VDC~36VDC )
交流型:85~265VAC 50HZ
电池型:3.6V@4AH镍氢电池
报警输出:上限或下限瞬时流量报警
标准型:集电极开路输出(最大100mA@30VDC内部阻抗100 欧)
特殊型:继电器输出(触点容量最大5A@250VAC)
脉冲输出:累积脉冲输出,最小间隔50毫秒
液晶显示:瞬时流量显示数值范围:0~50000
累计流量显示数值范围:0~99999999
防护等级:IP65
防爆标志:隔爆型ExdⅡCT6(防爆证书编号:CNEx23.2895X)
五、金属管浮子流量计不同口径对应的流量参数:
| 通径(mm) | 流量范围 | 压力损失kPa | |||
| 水L/h | 空气m³/h | 常规型 | 防腐型 | ||
| 常规型 | 防腐型 | 常规型,防腐型 | |||
| DN15 | 2.5~25 | --- | 0.07~0.7 | 6.5 | 5.5 |
| 4.0~40 | 2.5~25 | 0.11~1.1 | 6.5 | 5.5 | |
| 6.0~60 | 4.0~40 | 0.18~1.8 | 6.6 | 5.6 | |
| 10~100 | 6.3~63 | 0.28~2.8 | 6.6 | 5.6 | |
| 16~160 | 10~100 | 0.40~4.0 | 6.8 | 5.8 | |
| 25~250 | 16~160 | 0.7~7.0 | 7.2 | 6.1 | |
| 40~400 | 25~250 | 1.0~10 | 8.6 | 7.3 | |
| 60~600 | 40~400 | 1.6~16.0 | 11.1 | 7.3 | |
| DN20 | 40~400 | 40~400 | 0.7~7.0 | 8.6 | 6.1 |
| 60~600 | 60~600 | 1.2~12 | 11.1 | 7.3 | |
| 100~1000 | 100~1000 | 1.8~18 | 11.1 | 7.3 | |
| DN25 | 100~1000 | 60~600 | 3~30 | 7.0 | 5.9 |
| 160~1600 | 100~1000 | 4.5~45 | 8.0 | 6.0 | |
| 250~2500 | 160~1600 | 7~70 | 10.8 | 6.8 | |
| 400~4000 | 250~2500 | 11~110 | 15.8 | 9.2 | |
| DN32 | 160~1600 | 160~1600 | 3.0~30 | 8.0 | 6.0 |
| 250~2500 | 250~2500 | 5.0~50 | 10.8 | 6.8 | |
| 400~4000 | 400~4000 | 7.5~75 | 15.8 | 9.2 | |
| 600~6000 | 600~6000 | 16.5 | 12.0 | ||
| DN40 | 500~5000 | --- | 12~120 | 8.0 | 6.5 |
| 600~6000 | ---- | 16~160 | 11.0 | 6.8 | |
| DN50 | 630~6300 | 400~4000 | 18~180 | 8.1 | 6.8 |
| 1000~10000 | 630~6300 | 25~250 | 11.0 | 9.4 | |
| 1600~16000 | 1000~10000 | 40~400 | 17.0 | 14.5 | |
| DN65 | 1200~12000 | 1200~12000 | 18~180 | 8.2 | 6.9 |
| 1600~16000 | 1600~16000 | 30~300 | 8.2 | 6.9 | |
| 2500~25000 | 2500~25000 | 37~370 | 15.5 | 11.9 | |
| DN80 | 2500~25000 | 1600~16000 | 60~600 | 8.1 | 6.9 |
| 4000~40000 | 2500~25000 | 80~800 | 9.5 | 8.0 | |
| DN100 | 6000~60000 | 4000~40000 | 100~1000 | 15.0 | 8.5 |
| DN125 | 10000~100000 | 10000~100000 | 300~3000 | 42.0 | 38.5 |
| 12500~125000 | 12500~125000 | 45.0 | 42.0 | ||
| DN150 | 20000~100000 | 10000~100000 | 600~3000 | 45.0 | 42.0 |
| 30000~150000 | 25000~125000 | 60.0 | 58.0 | ||
|
代号
|
测量管结构
|
|||||||
|
ZH-LZ50
|
下进上出
|
|||||||
|
ZH-LZ51
|
下进上横出
|
|||||||
|
ZH-LZ52
|
下横进上横出
|
|||||||
|
ZH-LZ53R
|
水平安装-右进左出(无衬四氟)
|
|||||||
|
ZH-LZ53L
|
水平安装-左进右出(无衬四氟)
|
|||||||
|
代号
|
接液材质
|
|||||||
|
R1
|
1Cr18Ni9Ti
|
|||||||
| R2 | 316L | |||||||
|
RP
|
304+PTFE
|
|||||||
|
代号
|
管道口径
|
|||||||
|
DN15
|
15
|
|||||||
| DN20 | 20 | |||||||
|
DN25
|
25
|
|||||||
| DN32 | 32 | |||||||
| DN40 | 40 | |||||||
|
DN50
|
50
|
|||||||
| DN65 | 65 | |||||||
|
DN80
|
80
|
|||||||
|
DN100
|
100
|
|||||||
| DN125 | 125 | |||||||
|
DN150
|
150
|
|||||||
|
DN200
|
200
|
|||||||
|
代号
|
附加结构
|
|||||||
|
无
|
|
|||||||
|
T
|
夹套型
|
|||||||
|
Z
|
阻尼型
|
|||||||
|
G
|
高温型
|
|||||||
|
Y
|
高压型
|
|||||||
|
代号
|
指示器形式代码组合
|
|||||||
|
M1
|
就地指示器,机械指示瞬时流量
|
|||||||
|
M2
|
供电型,机械指示瞬时流量,液晶显示瞬时/累积流量
|
|||||||
|
M3
|
供电型,无机械指示,液晶显示瞬时/累积流量
|
|||||||
|
代码
|
供电方式
|
|||||||
|
无
|
只限M1指示器
|
|||||||
|
A
|
220VAC,4~20mA输出
|
|||||||
|
B
|
电池供电,无输出
|
|||||||
|
C
|
24VDC,二线制供电,4~20mA输出
|
|||||||
|
D
|
24VDC,三、四线制供电,4~20mA输出
|
|||||||
|
代号
|
表头
|
|||||||
|
l
|
方型壳体
|
|||||||
|
d
|
圆壳体(隔爆)
|
|||||||
|
代号
|
报警或脉冲输出
|
|||||||
|
无
|
无报警或脉冲输 出
|
|||||||
|
K1
|
上限报警或脉冲输出
|
|||||||
|
K2
|
下限报警或脉冲输出
|
|||||||
|
K3
|
上、下限报警或脉冲输出
|
|||||||
七、金属管浮子流量计选型及安装注意事项: