
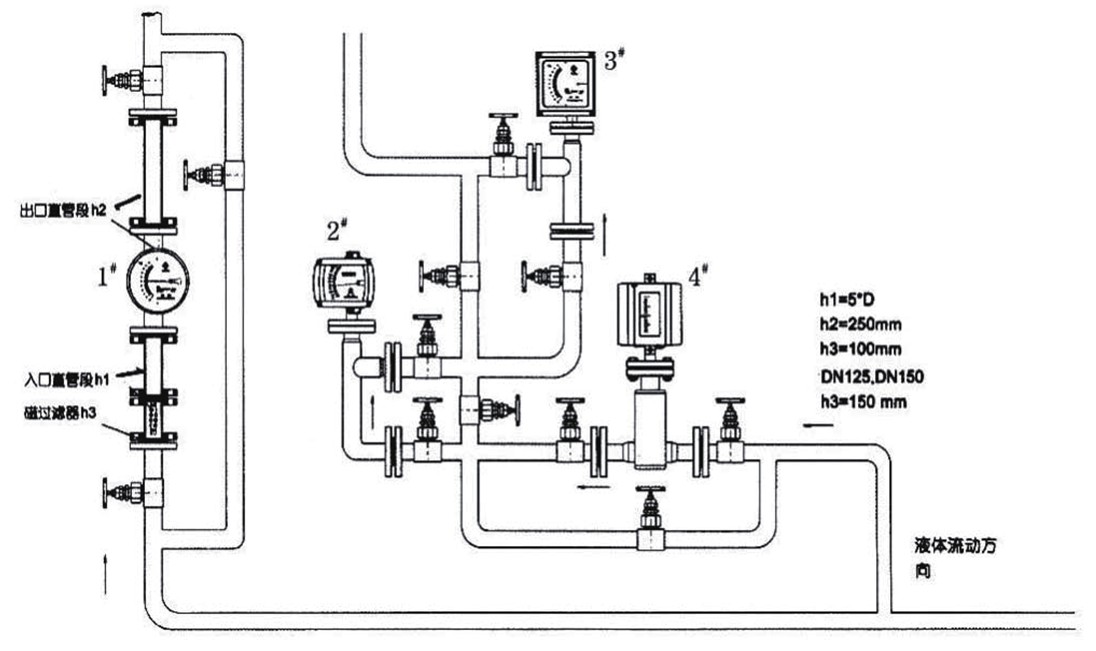
ZHLZ系列金属转子流量计是基于浮子位置测量的一种变面积流量仪表,采用全金属结构,具有结构简单、体积小、压损小、量程比大(1:10)、工作可靠、适用范围广、测量精度好、具有耐高温、耐高压、安装方便等特点; ZHLZ系列金属转子流量计有普通型和防腐蚀型,以上两种类型均分为现场指示型(ZHLZZ-)和电远传型(ZHLZD-)、普通型流量传感器,仪表材料为1Cr18Ni9Ti、防腐型为1Cr18Ni9Ti内衬PTFE。如果金属转子流量计测量的介质中含有铁磁性颗粒,就应在流量计入口处安装磁过滤器。它的材质应与对应的流量计材质相同。金属转子流量计广泛应用于各行业复杂、恶劣环境下对小流量、低流速的各种苛刻介质条件下的流量进行测量与过程控制。
金属转子流量计主要技术参数
(1)基本型(就地指示式)
测量的介质:液体;气体
测量范围:水(20℃) 2.5-150000L/h
空气(20℃,0.1013MPa)0.07-4000Nm³/h
量程比:10:1(最大与最小流量)
精度:1.5级 2.5级
工作压力:≤4MPa
工作温度:-20~300℃(氟塑料衬里-10~80℃)
环境温度:-40~80℃
介质粘度:DN15 ≤5mPa.S
DN25~DN150 ≤250mPa.S
过程连接:法兰,卫生型卡箍或按用户提供
安装方式:垂直安装;水平安装(水平安装无卡盘安装与衬四氟型)
管体材质:1Cr18Ni9Ti;316L ;304内衬PTFE等
蒸汽夹套头:法兰DN15 PN1.6,或按用户提供
仪表总高度:标准250mm
法兰标准:HG/T20592;其它要求的可订制
(2)远传装置(就地指示式带远传)
①KW5-1角位移变送器
基本误差:1.5%F.S
输出信号:标准型4~20mA;0~10mA;HART协议
负载阻抗:350Ω
电源电压:24VDC 220VAC 锂电池
环境温度:-20~80℃
出线口:M20×1.5
防爆标志:ExdiiCT6
②ESK-HD变送器
电源影响:<0.1%(不含数字分辨率[70μA)
负载影响:<0.1%(不含数字分辨率[70μA)
电流损耗:4~21.6mA,相对于测量值的0%
负载阻抗:0~800ohm
工作电压:12.8~30VDC
二线制Rext[KΩ]=(供电电源[V]~12V)/22mA
输出信号:4~20mA
环境温度:-25~80℃
出线口:M20×1.5
防爆等级:ExdiiCT6(防爆证书编号:CNEx23.2895X)
ZHLZ系列金属转子流量计不同口径的参考流量范围:
| 通径(mm) | 流量范围 | 压力损失kPa | |||
| 水L/h | 空气m³/h | 常规型 | 防腐型 | ||
| 常规型 | 防腐型 | 常规型,防腐型 | |||
| DN15 | 2.5~25 | --- | 0.07~0.7 | 6.5 | 5.5 |
| 4.0~40 | 2.5~25 | 0.11~1.1 | 6.5 | 5.5 | |
| 6.0~60 | 4.0~40 | 0.18~1.8 | 6.6 | 5.6 | |
| 10~100 | 6.3~63 | 0.28~2.8 | 6.6 | 5.6 | |
| 16~160 | 10~100 | 0.40~4.0 | 6.8 | 5.8 | |
| 25~250 | 16~160 | 0.7~7.0 | 7.2 | 6.1 | |
| 40~400 | 25~250 | 1.0~10 | 8.6 | 7.3 | |
| 60~600 | 40~400 | 1.6~16.0 | 11.1 | 7.3 | |
| DN20 | 40~400 | 40~400 | 0.7~7.0 | 8.6 | 6.1 |
| 60~600 | 60~600 | 1.2~12 | 11.1 | 7.3 | |
| 100~1000 | 100~1000 | 1.8~18 | 11.1 | 7.3 | |
| DN25 | 100~1000 | 60~600 | 3~30 | 7.0 | 5.9 |
| 160~1600 | 100~1000 | 4.5~45 | 8.0 | 6.0 | |
| 250~2500 | 160~1600 | 7~70 | 10.8 | 6.8 | |
| 400~4000 | 250~2500 | 11~110 | 15.8 | 9.2 | |
| DN32 | 160~1600 | 160~1600 | 3.0~30 | 8.0 | 6.0 |
| 250~2500 | 250~2500 | 5.0~50 | 10.8 | 6.8 | |
| 400~4000 | 400~4000 | 7.5~75 | 15.8 | 9.2 | |
| 600~6000 | 600~6000 | 16.5 | 12.0 | ||
| DN40 | 500~5000 | --- | 12~120 | 8.0 | 6.5 |
| 600~6000 | ---- | 16~160 | 11.0 | 6.8 | |
| DN50 | 630~6300 | 400~4000 | 18~180 | 8.1 | 6.8 |
| 1000~10000 | 630~6300 | 25~250 | 11.0 | 9.4 | |
| 1600~16000 | 1000~10000 | 40~400 | 17.0 | 14.5 | |
| DN65 | 1200~12000 | 1200~12000 | 18~180 | 8.2 | 6.9 |
| 1600~16000 | 1600~16000 | 30~300 | 8.2 | 6.9 | |
| 2500~25000 | 2500~25000 | 37~370 | 15.5 | 11.9 | |
| DN80 | 2500~25000 | 1600~16000 | 60~600 | 8.1 | 6.9 |
| 4000~40000 | 2500~25000 | 80~800 | 9.5 | 8.0 | |
| DN100 | 6000~60000 | 4000~40000 | 100~1000 | 15.0 | 8.5 |
| DN125 | 10000~100000 | 10000~100000 | 300~3000 | 42.0 | 38.5 |
| 12500~125000 | 12500~125000 | 45.0 | 42.0 | ||
| DN150 | 20000~100000 | 10000~100000 | 600~3000 | 45.0 | 42.0 |
| 30000~150000 | 25000~125000 | 60.0 | 58.0 | ||
|
代号
|
测量管结构
|
|||||||
|
ZH-LZ50
|
下进上出
|
|||||||
|
ZH-LZ51
|
下进上横出
|
|||||||
|
ZH-LZ52
|
下横进上横出
|
|||||||
|
ZHLZ53R
|
水平安装-右进左出(无衬四氟)
|
|||||||
|
ZH-LZ53L
|
水平安装-左进右出(无衬四氟)
|
|||||||
|
代号
|
接液材质
|
|||||||
|
R1
|
1Cr18Ni9Ti
|
|||||||
| R2 | 316L | |||||||
|
RP
|
304+PTFE
|
|||||||
|
代号
|
管道口径(公称内径)
|
|||||||
|
DN15
|
15
|
|||||||
| DN20 | 20 | |||||||
|
DN25
|
25
|
|||||||
| DN32 | 32 | |||||||
| DN40 | 40 | |||||||
|
DN50
|
50
|
|||||||
| DN65 | 65 | |||||||
|
DN80
|
80
|
|||||||
|
DN100
|
100
|
|||||||
| DN125 | 125 | |||||||
|
DN150
|
150
|
|||||||
|
DN200
|
200
|
|||||||
|
代号
|
附加结构
|
|||||||
|
无
|
|
|||||||
|
T
|
夹套型
|
|||||||
|
Z
|
阻尼型
|
|||||||
|
G
|
高温型
|
|||||||
|
Y
|
高压型
|
|||||||
|
代号
|
指示器形式代码组合
|
|||||||
|
M1
|
就地指示器,机械指示瞬时流量
|
|||||||
|
M2
|
供电型,机械指示瞬时流量,液晶显示瞬时/累积流量
|
|||||||
|
M3
|
供电型,无机械指示,液晶显示瞬时/累积流量
|
|||||||
|
代码
|
供电方式
|
|||||||
|
无
|
只限M1指示器
|
|||||||
|
A
|
220VAC,4~20mA输出
|
|||||||
|
B
|
电池供电,无输出
|
|||||||
|
C
|
24VDC,二线制供电,4~20mA输出
|
|||||||
|
D
|
24VDC,三、四线制供电,4~20mA输出
|
|||||||
|
代号
|
表头
|
|||||||
|
l
|
方型壳体
|
|||||||
|
d
|
圆壳体(隔爆)
|
|||||||
|
代号
|
报警或脉冲输出
|
|||||||
|
无
|
无报警或脉冲输出
|
|||||||
|
K1
|
上限报警或脉冲输出
|
|||||||
|
K2
|
下限报警或脉冲输出
|
|||||||
|
K3
|
上、下限报警或脉冲输出
|
|||||||
注:大众对金属转子流量计有不同的称呼,如:金属管转子流量计、转子流量计、金属管浮子流量计、金属浮子流量计、浮子流量计等,其功能原理都是一样的。