

LZZX系列微小型金属管浮子流量计用于液体和气体微小流量的测量。微小型金属管浮子流量计采用全金属结构,具有体积小、压损小等特点,广泛应用于各行业复杂、恶劣环境下、对微小流量、低流速、各种苛刻介质条件的流量测量与过程控制,特别适合测量混浊,不透明或腐蚀性流体。
微小流量金属管浮子流量计结构及原理.
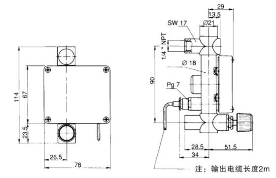
LZZX系列微小型金属管浮子流量计主要由测量管、浮子和指示器组成。指示器可配备4-20mA电远传信号、上限和下限报警等功能。
组成:1、本体2、测量管3、浮子4、表头5、磁耦合系统6、电气电缆
微小流量金属管浮子流量计主要技术参数.
1、测量范围:水(20℃)1~3000l/h
空气(0.1013MPa 20℃) 0.5~90000l/h
2、量程比:10:1
3、精度等级:2.5级/4.0级
4、工作压力:PN1.6MPa
5、介质温度:标准型:-40℃~+120℃
6、环境温度:-40℃-+80℃
7、介质粘度:1/4”NPT,3/8"NPT1/2”NPT≤5mPa.s
3/4”NPT,1”NPT≤250mPa.s
8、输出:标准信号:二线制4~20mA(24VDC供电)
9、供电:24VDC±20%
10、连接方式:侧进测出型:NPT1/4”内螺纹
下进上出型:NPT1/4"、3/8”、1/2”、3/4”、1”内螺纹
11、电气接口:M8×1或用户提供规格
12、防护等级:IP65
微小流量金属管浮子流量计选型表
|
LZZX |
结构形式 |
|
|
H |
横向进出 |
|
|
V |
下进上出 |
|
|
测量管接液材质 |
||
|
RO |
316L不锈钢 |
|
|
R1 |
304不锈钢 |
|
|
R2 |
HC-276合金 |
|
|
R3 |
钛合金 |
|
|
止档及O型圈材质 |
||
|
A |
PTFE/Buna四氟乙烯+丁晴橡胶 |
|
|
B |
PVDF/Viton聚偏氟Z烯+氟素橡胶 |
|
|
C |
PVDF/Buna聚偏氟乙烯+丁晴橡胶 |
|
|
D |
PTFE/Kalrez四氟乙烯+全氟化橡胶 |
|
|
指示器 |
||
|
缺省 |
现场指针显示瞬时流量 |
|
|
D |
远传4-20mA两线制电流信号,本安防爆,防爆标志ExiallCT3~6 |
|
|
K1 |
上限报警(24VDC三线制输出) |
|
|
K2 |
下限报警(24VDC三线制输出) |
|
|
K12 |
上下限报警(24VDC三线制输出) |
|
|
EK1 |
上限报警(8.2VDC两线制输出namur) |
|
|
EK2 |
下限报警(8.2VDC两线制输出namur) |
|
|
EK12 |
上下限报警(8.2VDC两线制输出namur) |
|
|
连接方式 |
||
|
1 |
NPT1/4" |
|
|
2 |
NPT3/8" |
|
|
3 |
NPT1/2" |
|
|
4 |
NPT3/4" |
|
|
5 |
NPT1" |
|
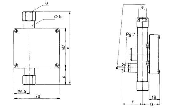
微小流量金属管浮子流量计外形尺寸
| 型号 |
流量范围 (Water) |
a | b | c | d | e | f | g | 安装方式 |
| LZZX-6 | ≤100l/h | SW19 | 18 | 125 | 29 | NPT1/4" | 34 | 29 |
下进上出 侧进侧出 |
| LZZX-10 | 100-300l/h | SW24 | 25 | 164 | 48 | NPT3/8” | 30.5 | 32.5 | 下进上出 |
| LZZX-15 | 400-8001/h | SW27 | 25 | 164 | 48.5 | NPT1/2" | 30.5 | 32.5 | 下进上出 |
| LZZX-25 | 800-30001/h | SW50 | 50 | 230 | 81 | NPT1” | 18 | 45/50 | 下进上出 |
微小流量金属管浮子流量计流量参考
|
型号 |
测量范围 |
压力损失 Mbar |
连接螺纹 |
|
|
水(l/h) |
空气(l/h) |
|||
|
LZZX-6 |
0.1-1 |
3.5-35 |
8 |
内NPT1/4"
|
|
0.16~1.6 |
5.4-54 |
8 |
||
|
0.25~2.5 |
10~100 |
8 |
||
|
0.4~4 |
16~160 |
8 |
||
|
0.6~6 |
23~230 |
8 |
||
|
1~10 |
35~350 |
8 |
||
|
1.6~16 |
54~540 |
8 |
||
|
2.5~25 |
85~850 |
9 |
||
|
4~40 |
125~1250 |
10.5 |
||
|
6~60 |
190~1900 |
12.5 |
||
|
10~100 |
310~3100 |
17 |
||
|
LZZX-10 |
10~100 |
320~3200 |
8 |
内NPT3/8"
|
|
16~160 |
500~5000 |
8 |
||
|
20~200 |
600~6000 |
8 |
||
|
25~250 |
800~8000 |
8 |
||
|
30~300 |
900~9000 |
8 |
||
|
LZZX-15 |
40~400 |
1200~12000 |
8 |
内NPT1/2"
|
|
50~500 |
1500~15000 |
8 |
||
|
60~600 |
1800~18000 |
8 |
||
|
80~800 |
2400~24000 |
8 |
||
|
LZZX-25 |
80~800 |
2400~24000 |
3 |
内NPT3/4" 内NPT1" |
|
100~1000 |
3000~30000 |
3 |
||
|
160~1600 |
4500~45000 |
3 |
||
|
200~2000 |
6000~60000 |
3 |
||
|
250~2500 |
7500~75000 |
3 |
||
|
300~3000 |
9000~90000 |
3 |
||