金属管浮子流量计选择与安装要点介绍
发布时间:2026-02-09 ???
浏览次数:
金属管浮子流量计适用于小口径和低流速介质流量测量,有就地显示型和智能远传型两类,智能远传型带有指针显示、液晶显示瞬时/累积流量,标准的二线制4~20A电流输出和HART通讯等多种形式,根据测量管安装方式的不同.金属管浮子流量计测量的流体的流向为下进上出、下进上横出、下横进上横出、左进右出、右进左出的安装方式.可根据用户不同要求选择不同的测量管安装形式。

为了保证金属管浮子流量计正常工作并达到要求的测量精度.一般应注意以下几点:
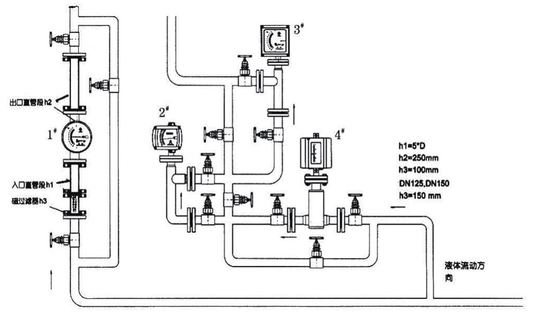
•仪表的上下游管道应与仪表的口径相同,连接法兰或螺纹应与仪表的法兰或螺纹匹配,仪表上游直管长度h应保证是仪表公称口径的5倍.下游直管段长度不少于250mm。
•金属管浮子流量计垂直安装时,流体自下而上流过流量计,且垂直度优于2°.水平安装时水平夹角优于2°
•安装在工艺管线上的金属管浮子流量计应加旁路.以便处理故障或吹洗时不影响生产:
•如果介质中含有铁磁性物质应安装磁过滤器:
•如果介质中含有固体杂质.应考虑在阀门和直管段之间加装过滤器:
•当用于气体测量时.应保证管道压力不小于5倍流量计的压力损失.以使浮子稳定工作:
•如果被测介质的温度高于220℃或流体温度过低易发生结晶时.需采取隔热保护措施时.应选用夹套型.以便进行冷却或保温:
•管道法兰,紧固件、密封垫与流量计法兰标准相同才能使仪表正常安装运行:
•该产品一般在装置正常运行后.不需要维护,故障多发生在装置刚刚启动时.由于管道吹洗不干净.而发生浮子被固体颗??ㄗ∠窒?此时指示器的指针停在一位置不动。这时首先应关闭流量计两边的阀门.然后拆下上法兰,取出浮子进行清洗,再重新装好。注意紧固法兰螺母要平衡拧紧.并垫好垫片:
•为了避免由于管道引起的流量计变形.工艺管线的法兰必须与流量计的法兰同轴并且相互平行.适当地管道支撑以避免管道振动和减小流量计的轴向负荷。测量系统中控制阀应安装在流量计的下游:
•由于仪表是通过磁耦合传递信号的.所以为了保证仪表的性能.安装周围至少10cm处.不允许有铁磁性物质存在:
•测量气体的仪表.是在特定压力下校准的.如果气体在仪表的出口直接排放到大气.将会在浮子处产生气压降,并引起数据失真。如果是这样的工况条件.应在仪表的出口安装一个阀门:
•带有液品显示的仪表.安装时要尽量避免阳光直射显示器,以免降低液品使用寿命。
•安装PTFE衬里的仪表时,要特别小心。由于在不均匀压力的作用下,PFE会变形所以法兰螺母不要随意不对称拧得过紧.以避免损坏PTFE衬层。