圆齿轮流量计
发布时间:2025-02-22 ???
浏览次数:
圆齿轮流量计概述
ZHLW系列
圆齿轮流量计属于容积式流量计一种类型,圆齿轮流量计是用于测量管道中液体流量连续或间断测量和控制的用于微小流量介质的容积式计量仪表。圆齿轮流量计具有量程范围大、准确度佳、压力损失小、粘度适应性强、能测量高温高粘液体、标定方便、安装建议等诸多优点。适用于石油、化工、化纤、交通、商贸、食品、医药卫生等部门的流量计量。
ZHLW系列圆齿轮流量计装有脉冲发讯器和数字液晶表头装置,可提供稳定、正确的脉冲信号输出,也可现场直接显示液体瞬时、累积流量,并提供多种信号远传功能,与电显仪表配套可实现累积、定量和瞬时流量远传集中控制,还可测量高温度、高粘度液体。良好的性能可以很好的适应各种复杂的工况环境。
圆齿轮流量计根据不同的液体被测量介质(酸、碱、盐、有机溶液等),流量计本体可选择不同的材质制造,圆齿轮流量计本体材质有:304;316;铝合金;四氟。
圆齿轮流量计工作原理
圆齿轮流量计的转速是通过装在表壳上的信号放大器里传感线圈来检测。信号放大器不与被测量介质相接触。当变送器齿轮切割由壳体内永久磁石产生的磁力线时,就会引起传感线圈中的磁通变化。传感线圈将检测到的磁通周期变化信号送入前置放大器,对信号进行放大、 整形,产生与流速成正比的脉冲信号,送入单位换算与流量积算电路得到并显示累积流量值,同时亦将脉冲信号送入频率电流转换电路,将脉冲信号转换成模拟电流量,进而指示瞬时流量值。
圆齿轮流量计加工精度高,精密安装。齿轮的旋转被非接触扫描,每一个齿产生一个脉冲, 分辨率非常高.圆柱齿轮变送器可测量非常小的流量,定量小体积的液体。
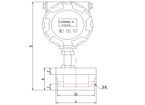
圆齿轮流量计外形尺寸图
圆齿轮流量计型号尺寸
|
型号/尺寸 |
L |
L1 |
B |
A |
I |
C |
E |
|
ZHLW-02 |
Φ83 |
77 |
210 |
53 |
13.5 |
15 |
G1/4 |
|
ZHLW-04 |
Φ83 |
77 |
210 |
53 |
14 |
15 |
G3/8 |
|
ZHLW-06 |
Φ83 |
77 |
216 |
59 |
15.6 |
15 |
G1/2 |
|
ZHLW-10 |
Φ83 |
77 |
216 |
62 |
18 |
15 |
G1/2 |
|
ZHLW-15 |
Φ113 |
110 |
219 |
65 |
21.5 |
15 |
G3/4 |
圆齿轮流量计技术参数
|
型号 |
测量范围L/h |
K系数P/L |
最大压力Bar |
温度 |
接口(可定制) |
|
ZHLW-02 |
(0.6)5-50 |
11200 |
63 |
-20~60℃ |
G1/4 |
|
ZHLW-04 |
(5)25-250 |
4780 |
63 |
-20~60℃ |
G3/8 |
|
ZHLW-06 |
(10)50-500 |
3468 |
63 |
-20~60℃ |
G1/2 |
|
ZHLW-10 |
(20)120~1200 |
2780 |
50 |
-20~60℃ |
G1/2 |
|
ZHLW-15 |
(200)300~3000 |
334 |
50 |
-20~60℃ |
G3/4 |
圆齿轮流量计选型
|
类型代码 |
专用标志 |
本体材质标志 |
通径 |
压力 |
计数器 |
信号 |
连接方式 |
说明 |
|
ZHLW |
|
|
|
|
|
|
|
圆齿轮流量计 |
|
|
U |
|
|
|
|
|
|
保温夹套型 |
|
N |
|
|
|
|
|
|
高粘型 |
|
L |
|
|
|
|
|
|
低粘型 |
|
|
B |
|
|
|
|
|
304不锈钢 |
|
C |
|
|
|
|
|
316L不锈钢 |
|
L |
|
|
|
|
|
铝合金 |
|
F |
|
|
|
|
|
四氟 |
|
* |
|
|
|
|
|
其他材质 |
|
|
2 |
|
|
|
|
DN2 |
|
4 |
|
|
|
|
DN4 |
|
6 |
|
|
|
|
DN6 |
|
10 |
|
|
|
|
DN10 |
|
15 |
|
|
|
|
DN15 |
|
|
.1 |
|
|
|
公称压力(1.0Mpa) |
|
.2 |
|
|
|
公称压力(1.6Mpa) |
|
.3 |
|
|
|
公称压力(2.5MPa) |
|
.4 |
|
|
|
公称压力(4.0MPa) |
|
.6 |
|
|
|
公称压力(6.3MPa) |
|
* |
|
|
|
公称压力(其他MPa) |
|
|
BELZ |
|
|
液晶数字显示:瞬时、累计流量输出脉冲信号,三线制(外供12V或者24V电源,可定制5V电源) |
|
BELZ- |
GF |
|
液晶数字显示:瞬时、累计流量输出4-20mA信号,二/三线制(标配二线制,外供12V或者24V电源) |
|
BELZ- |
MF |
|
液晶数字显示:瞬时、累计流量输出RS485信号,二/三线制(标配二线制,外供12V或者24V电源) |
|
BELZ- |
RS |
|
可同时输出三种信号,也可按需选择。 |
|
BELZ- |
GF/MF/RS |
|
液晶数字显示:瞬时、累计流量输出脉冲信号,三线制(外供12V或者24V电源,定制5V电源) |
|
|
-F |
法兰连接 |
|
-L |
内螺纹 |
|
-K |
卡盘快装 |
(“/”“-”为分割符号,“*”为定制参数,可用其他数字或字母替代)
圆齿轮流量计安装要求
1、圆齿轮流量计变送器现场安装位置应尽可能避开温度大、机械振动大、磁场干扰强、腐蚀性强的环境,应选择易于维护维修的位置安装。
2、圆齿轮流量计变送器一般应水平安装,必须用螺丝将传感器牢固安装在装配体上。如果必须垂直安装则液体方向必须向上。液体应充满管道,不得有气泡。
3、圆齿轮流量计变送器的种类附件在安装时,基中心线应对准管道中心线,连接处的密封垫不可突入液体内。
4、需要安装流量调节阀时,必须在传感器的下游侧安装。
5、在新的管道上安装传感器时,为避免管路中的杂质进入变送器,建议在变送器上游安装过滤器。
6、为了检修时不影响液体的正常传输,应在变送器的安装处安装旁通管路。
7、齿轮流量变送器附近的磁场和类似的干扰源可能会影响传感器失去信号,变送器与显示仪表之间的连接应采用带金属的屏蔽电缆,传输电缆的屏蔽层在显示仪表端一点接地。
圆齿轮流量计使用与维护
圆齿轮流量计使用时应保持被测液体清洁,不含纤维状、颗粒状的杂质。
圆齿轮流量计投入运行时阀门的开户关闭顺序
未安装旁路管的流量,先以中等开度开启变送器上游阀,然后缓慢开启下游阀以较小流量运行10分钟,然后全开上游阀开度至所需正常流量
装旁路管的变送器,先全开旁路管阀,以中等开度开启上游阀,再缓慢开启下游阀,关小旁路阀的开度,使变送器以较小流量运行10分钟,然后全开上游阀全闭旁路阀(保证无泄漏),最后调节下游阀开度至所需正常流量。
开启关闭阀门时应可能平缓,如采用自动控制启闭,特别对中大口径传感器最好采用“两段开启、两段关闭”方式,防止液体突然冲击产生水锤效应导致损坏齿轮。
为保证变送器长期正常工作,平时要加强运行检查,一旦发现异常应及时采取措施排除。特别注意监视齿轮转动情况,如听到异常声音应及时变送器检查。
圆齿轮流量计变送器的维护周期一般为三个月,检查清洗时,注意不要损伤内部零部件并按原装配位置装配
圆齿轮流量计变送器不用时应清洁内部液体且在变送器两端加上防护套以防止尘垢进入,然后置于干燥处进行存放。
配用的过滤器应定期清洗,不用时就在加上防护套以防止尘垢进入,然后置于干燥处进行存放。
传感器的传输电缆可架空或埋地铺设(埋地时应套上塑料管或铁管)