兰州一品阁论坛 ,老哥稳全国茶楼最新消息一品楼ypl免费论坛 ,xunleba全国信息论坛,老哥稳论坛官网登录入口

电阻远传压力表

发布时间:2026-01-05 ??? 浏览次数:

    YTZ-150型电阻远传压力表与YTZ-150B型不锈钢电阻远传压力表适用于测量对铜及铜合金,或不锈钢合金不起腐蚀作用气体,液体的压力,电阻远传压力表通过仪表内部安装的定位器式传感器把被测量值传至远离测量点的二次仪表上(ZH-100型智能测控仪或者DCS PLC等),以实现集中检测和远距离控制,此外,电阻远传压力表能够同时就地指示压力,便于现场工艺检查。电阻远传压力表与膜片隔离器(隔膜体)连接,通过真空灌装技术生产成隔膜式电阻远传压力表用于测量腐蚀性较强,粘度较大,有固体杂质以及易结晶介质的压力。
电阻远传压力表主要技术指标
1、基本误差:±1.6级。
2、测量范围选择:(Mpa)
(压力量程范围满度值选择要求是正常工作压力的1.5~2倍,特殊规格,请在订货时注明)
压力量程:0~0.1;0~0.16;0~0.25;0~0.4;0~0.6;0~1;0~1.6;0~2.5;0~4;0~6;0~10;0~16;0~25;0~40;0~60;0~100
真空压力量程:-0.1~0;-0.1~0.06;-0.1~0.15;-0.1~0.3;-0.1~0.5;-0.1~0.9;-0.1~1.5;-0.1~2.4
3、工作条件(1)环境温度:-40-60℃
                    (2)工作压力:静负荷:用至测量上限值的3/4
                                         交变负荷:用至测量上限值的2/3
                          短时压力:用至测量上限值
                    (3)相对温度:<85%
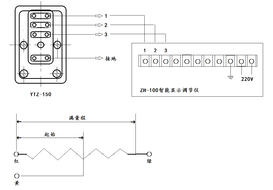
4、滑线电阻发送器的技术数据:起始电阻:3~20Ω
                                                    满度电阻:340~400Ω
      接线端的外加电压<6V
5、仪表表盘外径:Φ150mm
6、连接尺寸:M20X1.5或指定尺寸
7、材质:普通型电阻远传压力表材质为表壳为铁壳,弹性元件、接头材质为铜质合金;
               不锈钢电阻远传压力表材质表壳为不锈钢表壳,弹性元件与接头材质为不锈钢304或者316L。
电阻远传压力表产品选型

电阻远传压力表接线图:(以实物为准)
上一篇:真空表-真空压力表-压力真空表   下一篇:膜片压力表_隔膜式膜盒压力表