
YE-()B系列不锈钢膜盒压力表根据普通膜盒压力表的结构原理选择不锈钢材质具有耐腐蚀的微压测量仪表。不锈钢膜盒压力表的导压系统及外壳均采用不锈钢材料制成,应用于耐腐蚀要求较高的工艺流程中的各种气体介质的微压和副压的测量。也可用于锅炉通风、气体管道、燃烧装置等及其它设备上。
不锈钢膜盒压力表主要技术参数:
| 型 号 | 结构形式 | 量程范围 KPa | 精度 % |
|
YE-100B YE-100BF YE-150B YE-150BF |
径向无边 |
0~1;1.6;2.5;4;6;10;16; 25;40;60;-1~0;-1.6~0; -2.5~0;-4-0;-6-0;-10-0; -16-0;-25-0;-40-0;-0.5~0.5; -0.8~0.8;-1.2~1.2;-2-2;-3-3; -5-5;-8-8;-12-12;-20-20; -30-30 |
±2.5 |
|
YE-100BZ YE-100BFZ YE-150BZ YE-150BFZ |
轴向无边 | ||
|
YE-100BZT YE-100BFZT YE-150BZT YE-150BFZT |
轴向带边 |

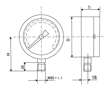
| 型 号 | 外型尺寸 mm | ||
| D | H | h | |
| YE-100B | 100 | 90 | 50 |
| YE-150B | 150 | 120 | 44 |