
简介:
ZHD72水滴天线雷达物位计测量最大距离可达70米。天线被进一步优化处理,新型的快速的微处理器可以进行更高速率的信号分析处理,使得仪表可以用于如:反应釜或固体料仓非常复杂的测量条件。
原理
水滴天线雷达物位计天线发射较窄的微波脉冲,经天线向下传输,微波接触到被测介质表面后被反射回来,再次被天线系统接收并将其传输给电子线路部分自动转换成物位信号。(因为微波传播速度极快,电磁波到达目标并经反射返回接收器这一来回所用的时间几乎是瞬间的)
ZHD72水滴天线雷达物位计参数
应用:固体料、强粉尘、易结晶、结露场合
测量范围:70米
过程连接:法兰、万向法兰
介质温度:-40~150℃
过程压力:常压
精??度:±3mm
频率范围:26GHz
防爆等级:Exd IIBT4 Gb
防护等级:IP67
信号输出:4~20mA/HART(两线/四线)
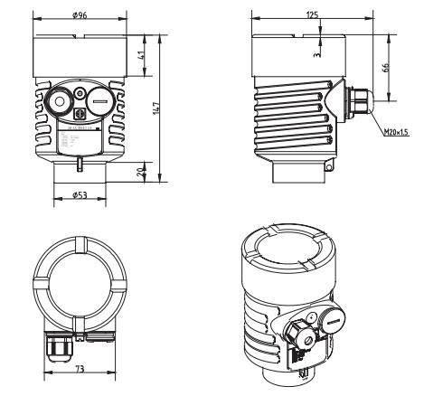
ZHD72水滴天线雷达物位计外型尺寸图

ZHD72水滴天线雷达物位计安装

ZHD72水滴天线雷达物位计选型
|
单元 |
参数 |
|
防爆 |
P标准型(非防爆) |
|
过程连接/材料 |
B法兰DN80/不锈钢304 |
|
天线形式/材料 |
B水滴天线/不锈钢PTFE |
|
密封/过程温度 |
V Viton/(-40~120)℃ |
|
电子单元 |
3 (4~20)mA/(24)V DC/HART两线制 |
|
外壳/防护等级 |
L 铝/IP67 |
|
电缆进线 |
M M20*1.5 |
|
特殊定制 |
Y 特殊定制 |
ZHD72水滴天线雷达物位计外壳尺寸

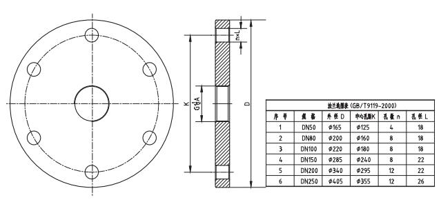
ZHD72水滴天线雷达物位计法兰选型图

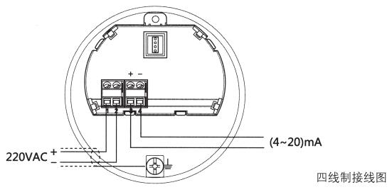
ZHD72水滴天线雷达物位计接线图


