
简介
ZHD54A高温喇叭天线雷达物位计传感器是雷达式物位测量仪表测量距离最大35米,可以用于存储罐、中间缓冲罐或过程容器的物位测量,输出4~20mA叠加HART信号。
输入
高温喇叭天线雷达物位计天线接收反射的微波脉冲并将其传输给电子线路,微处理器对此信号进行处理,识别出微脉冲在物料表面所产生的回波。正确的回波信号识别由智能软件完成,精度可达毫米级。距离物料表面的距离D与脉冲的时间行程T成正比:D=C×T/2(其中C为光速)
因空罐的距离E已知,则物位L为:L=E-D
输出
通过输入空罐高度E(=零点),满罐高度F(=满量程)及一些应用参数来设定,应用参数将自动使仪表适应测量环境。对应于4~20mA输出。
高温喇叭天线雷达物位计参数
应 用:适用于高炉料位,较厚罐顶的储罐和安装短管较高的工况测量
测量范围:35米
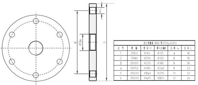
过程连接:万向法兰
介质温度:-40~500℃
过程压力:常压
精 度:±15mm
频率范围:6GHz
防爆等级:Exd IIBT4 Gb
防护等级:IP67
信号输出:4~20mA/HART(两线)
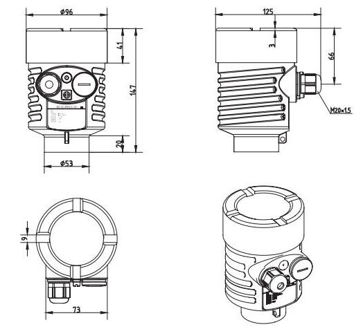
ZHD54A高温喇叭天线雷达物位计外型尺寸图

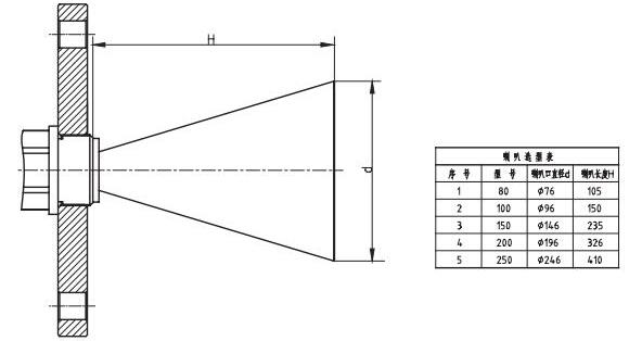
ZHD54A高温喇叭天线雷达物位计安装图

ZHD54A高温喇叭天线雷达物位计选型
| 单元 |
参数 |
|
防爆 |
P标准型(非防爆) |
|
过程连接 |
A法兰DN150 PN16 C型 |
|
天线型式/材料 |
D喇叭天线146mm/不锈钢304 |
|
密封/过程温度 |
P 普通密封/-40…100℃ |
|
天线延长管 |
1.1000mm |
|
电子单元 |
3 (4~20)mA/(24)VDC/HART两线制 |
|
外壳/防护等级 |
L 铝/IP67 |
|
电缆进线 |
M M20*1.5 |
|
特殊约定 |
Y 特殊定制 |
ZHD54A高温喇叭天线雷达物位计外形尺寸图

ZHD54A高温喇叭天线雷达物位计法兰选型图



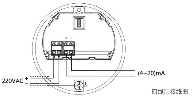
ZHD54A高温喇叭天线雷达物位计接线图

