
输入
ZHGW56双缆导波雷达物位计反射的脉冲信号沿缆绳传导至仪表电子线路部分,微处理器对此信号进行处理,识别出微波脉冲在物料表面所产生的回波。正确的回波信号识别由智能软件完成,距离物料表面的距离D与脉冲的时间行程T成正比:D=C×T/2其中C为光速
因空罐的距离E已知,则物位L为:L=E-D
输出
通过输入空罐高度E(=零点),满罐高度F(=满量程)及一些应用参数来设定,应用参数将自动使仪表适应测量环境。对应于4~20mA输出。
测量范围:
F-----测量范围
E-----空罐距离
B-----顶部盲区
K-----探头到罐壁的距离
顶部盲区是指物料高料面与测量参考点之间的小距离。
底部盲区是指缆绳底部附近无法准确测量的一段距离。
顶部盲区和底部盲区之间是有效测量距离。
注意
只有物料处于顶部盲区和底部盲区之间时,才能保证罐内物位的可靠测量。
ZHGW56双缆导波雷达物位计参数
应 用:小介电常数液体、固体、粉末
测量范围:缆 30m
过程连接:螺纹、法兰
介质温度:-40~150℃
过程压力:-0.1~4.0Mpa
精 度:±10mm
防爆等级:Exd IIBT4 Gb
防护等级:IP67
信号输出:4~20mA/HART(两线/四线)
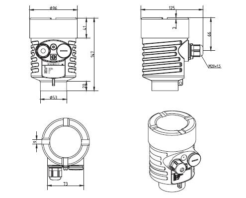
ZHGW56双缆导波雷达物位计外型尺寸图

ZHGW56双缆导波雷达物位计安装图示

ZHGW56双缆导波雷达物位计选型
| 单元 |
参数 |
|
防爆 |
P标准型(非防爆) |
|
过程连接/材料 |
D 法兰DN80 PN16C 不锈钢 |
|
密封/过程温度 |
P 普通密封/-40…150℃ |
|
电子单元 |
3 (4~20)mA/(24)VDC/HART两线制 |
|
外壳/防护等级 |
L 铝/IP67 |
|
电缆进线 |
M M20*1.5 |
|
特殊约定 |
Y 特殊定制 |
ZHGW56双缆导波雷达物位计外壳尺寸

ZHGW56双缆导波雷达物位计接线图

