兰州一品阁论坛 ,老哥稳全国茶楼最新消息一品楼ypl免费论坛 ,xunleba全国信息论坛,老哥稳论坛官网登录入口

耐震电阻远传压力表

发布时间:2025-06-14 ??? 浏览次数:
电阻远传耐震压力表

  YNTZ-150型耐震电阻远传压力表与YNTZ-150B型不锈钢耐震电阻远传压力表具有良好的抗振性能,适用于有机械振动和介质脉动的工作环境适用于测量对铜及铜合金,或不锈钢合金不起腐蚀作用气体,液体的压力;电阻远传耐震压力表通过仪表内部安装的定位器式传感器把被测量值传至远离测量点的二次仪表上,以实现集中检测和远距离控制,此外,电阻远传耐震压力表能够同时就地指示压力,便于现场工艺检查。
  YNTZ-150型耐震电阻远传压力表可与膜片隔离器(隔膜体)连接,制成隔膜式电阻远传耐震压力表,用于测量腐蚀性较强,粘度较大,易结晶介质的压力。

耐震电阻远传压力表主要技术指标
1、基本误差:±1.6级。
2、测量范围: (Mpa)
(特殊规格,请在订货时注明)

0~0.1  0-0.16   0-0.25    0-0.4    0-0.6   0~1     0~1.6    0-2.5    0-4   0-6     0-10     0~16     0-25    0-40  0~60  0~100
-0.1~0   -0.1-0.06     -0.1-0.15      -0.1-0.3      -0.1-0.5   -0.1-0.9     -0.1~;1.5     -0.1~2.4
3、工作条件(1)环境温度:-40-60℃
(2)工作压力:静负荷:
用至测量上限值的3/4
交变负荷:用至测量上限值的2/3
短时压力:用至测量上限值
(3)相对温度:<85%
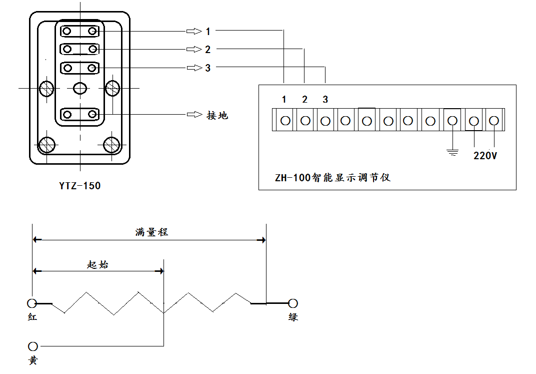
4、滑线电阻发送器的技术数据: 起始电阻:3-20Ω
满度电阻:340-400Ω
接线端的外加电压<6V
5、仪表外径:Φ150mm
6、连接尺寸:M20X1.5或者订制尺寸
接线图:
上一篇:全不锈钢安全型压力表_泄压安全型压力表_选型   下一篇:防爆数字显示压力表_隔爆型数显压力表