
CYW-100B CYW-150B型不锈钢差压表(以下简称差压表)适用于化工、化纤、冶金、电力等工业部门的工艺流程中测量各种液(气)体介质的差压、流量等参数。不锈钢差压表结构全部采用不锈钢制成,其中的测量系统(双波纹管及连接部件)、导压系统(包括接头、导管等)采用特种奥氏体不锈钢制成,具有较强的耐腐蚀及抗工作环境侵蚀影响。仪表整体结构设计合理、具有体积小、重量轻、稳定性好、使用寿命长、外观新颖、适应性强等优点。不锈钢差压表接头的连接形式有平行式(可直接与三阀组连接)和斜式两种,能够适应不同用户的配套安装。
不锈钢差压表结构原理:
仪表采用双波纹管结构,即两只波纹管分别安装在“工”字型支架两侧的对称位置上。“工”字型支架的上下两端分别为活动端和固定端,中间由弹簧片相连接;两只波纹管呈平行状态,分别用导管与表壳上的高低压接头相连接;齿轮传动机构直接安装在支架的固定端,并通过拉杆与支架的活动端相连接;度盘则直接固定在齿轮传动机构上。
仪表的工作原理:基于感压元件采用两只具有相同刚度的波纹管,因此在同一被测介质下迫使其产生相同的集中力分别作用于活动支架上,由于弹簧片两侧在等力矩作用下不产生扰度,故支架还处于原始位置,这样齿轮传动机构也不动作,使指针仍指在零位。
当施加不同压力(一般高压端高于低压端)时,两波纹管作用在活动支架上的力则不相等,使分别产生相应的位移,并带动齿轮传动机构传动并予放大,由指针偏转后指示出两者之间的差压值。
不锈钢差压表主要技术指标:
1、不锈钢差压表表盘直径:φ100mm;φ150mm
2、差压的测量范围、公称工作压力、精度等级及接头螺纹尺寸:
| 差压的测量范围 | 公称工作压力(静压) | 精度等级 | 接头螺纹尺寸 | ||
|
0~400pa 0~600pa 0~1 0~1.6 0~2.5 0~4 0~6 0~10 0~16 0~25 0~40 0~60 0~100 |
KPa |
60;100 ;160; 250;400;600 |
KPa |
2.5 |
M20x1.5 NPT1/2 |
|
0~0.16 0~0.25 0~0.4 0~0.6 0~1 0~1.6 0~2.5 |
MPa |
1;1.6;2.5; 4;6;10;16 |
MPa | ||
|
零件名称 |
材质牌号(代号) |
|
接头、导管 |
0Cr18Ni9(304)、0Cr17Ni12Mo2(316) |
|
波纹管 |
0Cr18Ni9(304)、00Cr17Ni14Mo2(316L) |
|
表壳、表盖、表环 |
0Cr18Ni9(304) |
4、使用环境温度:-40~70℃
5、重量:约1.5kg
6、仪表外壳防护等级:IP54
7、仪表技术性能符合企业标准Q/YXBM831-1997《不锈钢差压表》
8、抗工作环境振动:V.H.3级
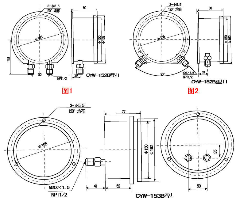
9.外形尺寸:
不锈钢差压表产品选型:
| 型号 | 型谱说明 | |||||||
| CYW | 不锈钢差压表 | |||||||
| 空白为不带功能要求 | ||||||||
| N | 耐震型-差压值要大于40KPa以上 | |||||||
| X | 带电接点控制-差压值要大于40KPa以上 | |||||||
| NX | 耐震带电接点控制-差压值要大于40KPa以上 | |||||||
| -100 | 表盘直径100mm | |||||||
| -150 | 表盘直径150mm | |||||||
| B | 接液材质304 | |||||||
| BF | 接液材质316 | |||||||
| 差压量程 |
Pa:0~400; 0~600 KPa:0~1;0~1.6;0~2.5;0~4;0~6;0~10;0~16;0~25;0~40;0~60;0~100 MPa:0~0.16;0~0.25;0~0.4;0~0.6;0~1;0~1.6;0~2.5 |
|||||||
|
静压值
|
KPa:60;100 ;160;250;400;600 MPa:1;1.6;2.5;4;6;10;16 |
|||||||
| M/G/NPT | 螺纹连接及尺寸 | |||||||
| DN | 法兰连接及尺寸 | |||||||
| RL-L= | 隔膜式软管连接-长度 | |||||||
选型请注意差压值与静压以及不同的功能对于差压值的要求。