兰州一品阁论坛 ,老哥稳全国茶楼最新消息一品楼ypl免费论坛 ,xunleba全国信息论坛,老哥稳论坛官网登录入口

双针压力表

发布时间:2025-09-19 ??? 浏览次数:
双针压力表
    YZS-102双针压力表主要用于机车车辆上用来测量液压系统或储气缸的压力,也可用于对铜合金、锡铅合金钎焊无腐蚀性,非结晶和凝固的各种介质的压力测量。双针压力表可同时测量两个相同或不相同(两者之差一般应不大于标度范围上的限制的1/3)的压力。
双针压力表结构原理:
1、仪表由两套各自独立的测量系统和指示装置等组成。
2、双针压力表的工作原理是基于弹性元件(测量系统中的弹簧管)的弹性变形。即在被测介质的压力作用下,迫使两弹簧管之末端各自产生相应的位移,借助于拉杆经齿轮传动机构的传动并予放大,由固定于此轮轴上的红、黑指针将两个被测值分别在刻度盘上指示出来。
双针压力表主要技术指标:
型号 精度等级 使用环境条件 温度影响 测量范围(Kpa)
YZS-102 1.5 5~60℃,相对湿度
不大于80%
使用温度如偏离20±5℃时,其温度附加误差
不大于0.4%10℃
0~1000  0~1200
0~1600  0~2500
 
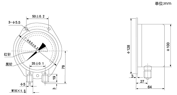
双针压力表的外形结构尺寸:


上一篇:数字显示压力表_数显压力表_数字压力表   下一篇:耐震电接点压力表_电接点耐震压力表_抗震压力表