
| 型号 | Y-40B | Y-50B |
Y-60B Z-60B |
Y-100B Z-100B |
Y-150B Z-150B |
Y-200B | Y-250B |
| 精度等级 | 2.5 | 1.6 1.5 1.0 | 2.5 | ||||
|
测量范围 MPA |
Y-40B 量程: 0~0.1;0.16;0.25;0.4;0.6;1.0;1.6;2.5;4;6; Y-50B 量程: 0~0.1;0.16;0.25;0.4;0.6;1.0;1.6;2.5;4;6;10;16;25;40; 不锈钢压力表量程:0~0.1;0.16;0.25;0.4;0.6;1.0;1.6;2.5;4;6;10;16;25;40;60;100; 不锈钢真空压力表量程:-0.1~0;-0.1~0.06;-0.1~0.15;-0.1~0.3;-0.1~0.5;-0.1~0.9;-0.1~1.5;-0.1~2.4 |
||||||
| 接头螺纹 |
M10*1 G1/8 |
M14×1.5 NPT1/4" G1/4" |
M20X1.5 1/2NPT" G1/2" G3/8" |
||||
| 环境温度 | -40~70℃ | ||||||
| 环境振动频率 | 不大于25HZ | ||||||
| 环幅 | 不大于1MM | ||||||

不锈钢压力表选型说明:
Y-40B 有径向与轴向(无边),没有电接点形式
Y-50B 有径向与轴向(无边),没有电接点形式
Y-200B 没有电接点形式
Y-250B 没有电接点形式
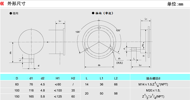
不锈钢压力表外形尺寸参考介绍:
不锈钢压力表使用与订货须知:
(1)全不锈钢压力表不适用于外界有氯、硝酸和过氯化氧等强化剂环境。
(2)不锈钢压力表外壳需喷涂PTEE聚四氟乙烯涂层时,订货时注明。
(3)不锈钢压力表接头螺纹如需特殊要求时请说明。
(4)全不锈钢压力表分普通型和耐震型。
(5)订货请说明名称、型号、材质要求及测量上限