兰州一品阁论坛 ,老哥稳全国茶楼最新消息一品楼ypl免费论坛 ,xunleba全国信息论坛,老哥稳论坛官网登录入口

企业新闻

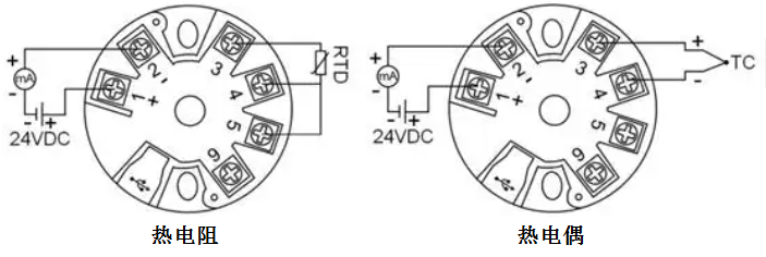
  • 热电偶补偿导线使用原理

    热电偶补偿导线使用原理

    在热电偶温度测量中,经常使用到补偿导线。如果对补偿导线的匹配不恰当,会导致热电偶的测温结果出现很大的误差,直接影响到温度测量工作的各个环节。所

  • 液位变送器的迁移问题说明

    液位变送器的迁移问题说明

    差压式液位变送器的迁移是指在实际应用中,由于安装位置、介质特性或隔离液等因素的影响,导致差压式液位变送器测量的液位与实际液位之间存在着一定的偏差。为了使变送器能够

  • 压力变送器的零点调整方法介绍

    压力变送器的零点调整方法介绍

    ZH1151/3851/3351型压力变送器借鉴国外产品结构,采用集成电路和表面安装工艺,关键原材料、元器件采用进口,整机经过严格组装和测试后精度高,性能好,性价比高。智能压力变送器可与带H

  • 压力变送器的类型及故障解决方式

    压力变送器的类型及故障解决方式

    压力变送器是自控系统的一个重要组成部分,压力变送器主要用于工业过程压力参数的测量和控制,其在石油、化工、电力等领域的应用十分广泛。

  • 3351(压力、差压)变送器的现场应用原理介绍

    3351(压力、差压)变送器的现场应用原理介绍

    3351系列压力变送器、差压变送器是对中低压蒸汽、氮气、压缩空气等能源介质的瞬时量和累积流量进行统计的仪表,是工矿企业能源核算的重要依据。随着工矿企业对降低生产成本考核,要求能源

  • 影响热电偶使用寿命因素分析

    影响热电偶使用寿命因素分析

    热电偶是由两种不同成分的导体(称为热电偶丝材或热电极)两端接合成回路,当接合点的温度不同时,就会在回路中产生电动势,这种现象称为热电效应,而这种电动势称为热电势。热电偶就是

  • 压力变送器的选择应考虑的各项参数

    压力变送器的选择应考虑的各项参数

    压力变送器是一种测量密闭系统内工艺介质的工作压力值,并能按照一定的规律将压力信号转换成可用输出电信号的传感器器件。压力变送器通常由压力测量元件和信号处理输出单元组成。

  • 涡街流量计传感器的选型准备工作介绍

    涡街流量计传感器的选型准备工作介绍

    涡街流量计是基于卡门涡街原理(原理图见下图)的一种流体振荡型气体或者液体流量测量仪表。当您要选用涡街流量计产品时

  • 压力变送器选型应考虑各方面的因素

    压力变送器选型应考虑各方面的因素

    压力变送器是一款测量密闭系统内介质的压力值并将压力信号以线性方式输出电流或者电压信号给DCS、PLC等控制系统进行对现场工艺参数的监控,压力变送器其结构简单、稳定性能好以及较高的

  • 磁翻板液位计选择要考虑的参数问题说明

    磁翻板液位计选择要考虑的参数问题说明

    磁翻板液位计我们正常也叫磁翻柱液位计、磁浮子液位计,磁翻板液位计整体结构由本体、翻板标尺箱(由红、白双色磁性小翻板组成)、浮子、法兰、变送器、控制器等组成,用于测量各类液